manual book
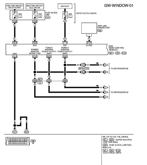
KRC 2005 Impala Power Window Switch Wiring Schematic Read Info

Privacy Policy | DMCA | Contact DMCA

Blue Seas Acr Wiring Diagram Privacy Policy | DMCA | Contact DMCA…
92 Honda Prelude Wiring Diagram Privacy Policy | DMCA | Contact DM…
230V Ballast Wiring Diagram Privacy Policy | DMCA | Contact DMCA
92 S10 Wiring Diagram Privacy Policy | DMCA | Contact DMCA
Belarus Wiring Schematic Privacy Policy | DMCA | Contact DMCA
92 Honda Prelude Wiring Diagram Privacy Policy | DMCA | Contact DM…
Astra H Rear Light Wiring Diagram Privacy Policy | DMCA | Contact …